Do you have any questions?

EX 45 S - 8 Ohm

Art. No. 4501

Electro dynamical exciter for stimulating bending waves on plates. The unit can be attached to the surface of the plate by gluing or screwing. Please find further information on exciters here: Basic principles of exciter-technology (PDF; 388 KB)

 

*) Maximum long term power according to DIN EN 60268-5

Typical applications
  • Signal output in every application where normal speakers can not be installed for optical reasons or for protection against environment conditions or vandalism.
*Gross price for private customers. Industrial prices are available on request.
Technical Data
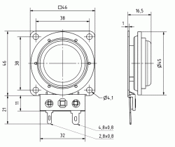
Sketch
Maximum power 10 W *)
Nominal impedance Z 8 Ohm
Voice coil diameter 25.4 mm
Net weight 0.06 kg
Connections 4.8 x 0.8 mm (+)/2.8 x 0.8 mm (-)
Temperature range –25 ... 70 °C
Accessory from: