Do you have any questions?

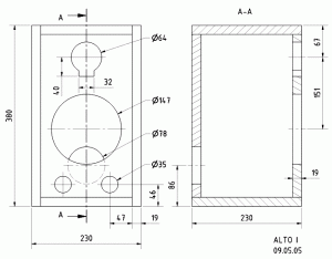
ALTO I

Art. No. 5966

Building instruction

Exploded drawing

Assembly

In order to simplify the cabinet construction as far as possible, we have done without the chamfers shown in the photo. If you prefer to include the all-round front chamfer, you will need the following information: 

Angle: 30° 
Width: 10 mm 

The cabinet consists of boards stuck together (butt jointed), making construction a simple matter. First of all, the individual boards are cut to size (refer to cutting list), stuck together (butt jointed) as shown in the drawing and firmly clamped for the duration of the drying time using parcel tape. Once the cabinet has been completely built, the cut-outs are made for the speakers, bass tube and terminals using a jig-saw. The last job is the surface treatment, i.e. painting, veneering or adhesive film.

Inner damping

The damping of the speaker uses two mats of damping material pushed into the cabinet through the bass cut-out. To this end, the mats are folded once long ways and once crossways and pushed into the cabinet in such a way that the space behind the bass tube remains free and the rest of the space inside the cabinet is loosely filled.

Cabinet parts list for 1 box

Parts
Size (mm)
Quantity
Material: 19 mm chipboard or MDF
Front and rear panel
342 x 192
2
Side panel
380 x 230
2
Top and bottom panel
230 x 192
2

Crossover

Press

Extract from Klang & Ton

"The ALTO I is a neat little bubbly speaker system, especially for pop music." "In this area, its liveliness and clarity are highly pleasing."

Value for money: very good

Do you have any questions?

Contact us