Do you have any questions?

SUB T-36

Building instruction

Exploded drawing

Assembly

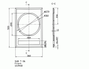
The cabinet consists of 19 mm boards glued together (butt jointed) and a 16 mm double baffle. First of all, make the required cut-outs in the baffleand the double baffle and make the chamfers. 
Start building using one of the side-panels. To this, attach the front and rear pieces, top and tunnel board. Then fit the reinforcement pieces and then the second side panel. Next, place the cabinet on its top and glue the sides for the bass tunnel in position. After that, attach the two base boards followed by the double baffle, in which you will already have prepared the mounts for the TIW 360. 

If the SUB T-36 is to be used with the an active subwoofer module, cut the cut-out in the rear panel required for mounting. If an active module is not to be used, fit ST 77 terminals in the rear. 

Finally, connect up the TIW 360 and mount in place.

Inner damping

The cabinet is loosely filled with 6 mats of damping material, leaving the area directly behind the bass port free. assemblage of ASM 100.

Cabinet parts list for 1 box

Parts
Size (mm)
Quantity
Material: 19 mm chipboard or MDF
Front panel
322 x 413
1
Side panel
480 x 520
2
Top and bottom panel
480 x 322
3
Rear panel
322 x 463
1
Bass-reflex channel
322 x 230
1
Lath
50 x 250
2
Brace
80 x 394
1
Brace
80 x 322
2
Brace
80 x 212
1
Material: 16 mm MDF or wood
Double baffle
360 x 520
1

Do you have any questions?

Contact us