Do you have any questions?

PH 8 REAR

Art. No. -

Piezo tweeter for the highrange above 3000 Hz. Very high efficiency with high power handling and balanced frequency response. Rear mounting.

Suitable for 2- and 3- way combinations without cross-over. Very good value for money.

 

WEEE-reg. no.: DE 79837685

No longer available
Technical Data
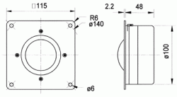
Sketch
Amplitude & Impedance Frequency
Nominal impedance Z 4 Ohm
Frequency response 3000 - 40000 Hz
Mean sound pressure level 96 dB (1W/1m)
Magnetic induction 1.4 Tesla
Voice coil diameter 5 cm
Cutout diameter 10.5 cm
Net weight 1 kg
Effective piston area Sd 20 cm2
Dynamically moved mass Mms 2 g
Inductance of the voice coil L 0.08 mH

Are you looking for a bespoke solution?

Contact us