Do you have any questions?

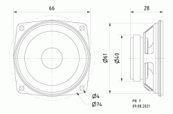
FR 7 - 4 Ohm

Art. No. 2015

6.5 cm (2.5") full-range speaker with minimal mounting depth and small magnet. Balanced frequency response and high efficiency. Very good high range response. Suitable in machines and other equipment where space is at a premium.

Typical applications
  • Narrow network column speakers
  • Monitoring speaker for electronic devices
  • Model construction
  • Electronic musical instruments
Attributes
  • Moisture-resistant membrane
  • metal design
*Gross price for private customers. Industrial prices are available on request.
Technical Data
Sketch
Amplitude & Impedance Frequency
Directivity pattern
Rated power 5 W
Maximum power 10 W
Nominal impedance Z 4 Ohm
Frequency response 130–20000 Hz
Mean sound pressure level 86 dB (1 W/1 m)
Opening angle (-6 dB) 180°/4000 Hz
Excursion limit +/−1 mm
Resonance frequency fs 220 Hz
Height of front pole-plate 2.5 mm
Voice coil diameter 14 mm
Height of winding 2.5 mm
Cutout diameter 61 mm
Net weight 0.092 kg
D.C. resistance Rdc 3.4 Ohm
Mechanical Q factor Qms 7.05
Electrical Q factor Qes 3.61
Total Q factor Qts 2.39
Equivalent volume Vas 0.4 l
Effective piston area Sd 22 cm²
Dynamically moved mass Mms 1.0 g
Force factor Bxl 1.1 Tm
Inductance of the voice coil L 0.1 mH
Connections 2.8 x 0.5 mm (+)/2.8 x 0.5 mm (-)
Temperature range –25 ... 70 °C

Used in / Accessories:

GRILLE FRS 7

Protective grille made of black painted metal. Decoration ring made of black plastics. Can be supplied painted in other colours on request.   Attributes: - Plastics: ABS

Are you looking for a bespoke solution?

Contact us