Haben Sie Fragen?

F 8 SC - 8 Ohm

Art. No. 8028

Magnetisch abgeschirmter 8 cm (3,3") Breitbandlautsprecher mit ausgeglichenem Frequenzgang. Besonders geeignet für kleine Multi-Media-Boxen. Sehr gutes Preis-Leistungs-Verhältnis.

Anwendungsmöglichkeiten
  • Multi-Media-Boxen
  • Video-Monitore
  • Fernsehgeräte
  • Computerterminals
Eigenschaften
  • Feuchtigkeitsimprägnierte Membran
  • Metallausführung
  • magnetische Abschirmung

WEEE-Reg.-Nr.: DE 79837685

*Bei den Preisen handelt es sich um Bruttopreise für Privatkunden. Auf Anfrage erhalten Sie die Industriepreise.
Technische Daten
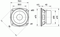
Zeichnung
Amplituden- und Impedanzfrequenzgang
Richtdiagramm
Nennbelastbarkeit 20 W
Musikbelastbarkeit 30 W
Nennimpedanz Z 8 Ohm
Übertragungsbereich (-10 dB) 80–15000 Hz
Mittlerer Schalldruckpegel 82 dB (1 W/1 m)
Abstrahlwinkel (−6 dB) 180°/4000 Hz
Grenzauslenkung +/−2,5 mm
Resonanzfrequenz fs 125 Hz
Magnetische Induktion 0,8 T
Magnetischer Fluss 150 µWb
Obere Polplattenhöhe 3 mm
Schwingspulendurchmesser 20 mm
Wickelhöhe 4,5 mm
Schallwandöffnung 76 mm
Gewicht netto 0,25 kg
Gleichstromwiderstand Rdc 7,9 Ohm
Mechanischer Q-Faktor Qms 2,94
Elektrischer Q-Faktor Qes 1,29
Gesamt-Q-Faktor Qts 0,9
Äquivalentes Luftnachgiebigkeitsvolumen Vas 1,0 l
Effektive Membranfläche Sd 30 cm²
Dynamische bewegte Masse Mms 2 g
Antriebsfaktor Bxl 2,2 Tm
Schwingspuleninduktivität L 0,3 mH
Anschlüsse 4,8 x 0,8 mm (+)/2,8 x 0,8 mm (-)
Temperaturbereich –25 ... 70 °C

Bestückung / Zubehör:

CT CENTER 81

Beim CT CENTER 81 handelt es sich um ein kompaktes geschlossenes 3-Wege System mit einem sehr ausgewogenen Klang und einer kompletten magnetischen Abschirmung, wie sie bei der Aufstellung in der Nähe von Computermonitoren oder Fernsehern gefordert wird.
Bei der Bestückung werden die magnetisch abgeschirmten Chassis F 8 SC - 8 Ohm (8 cm Breitband) sowie SC 5 - 8 Ohm (10 mm Hochton) eingesetzt und die komplette Box entspricht in der Abschirmung der THX®-Vorschrift (3-Gauß-Kurve). Durch die asymmetrische Schallwandaufteilung und die Frequenzweichenkonstruktion wird ein gutes Rundstrahlverhalten sowohl auf vertikaler als auch auf horizontaler Achse erreicht.
Hierdurch können die Boxen senkrecht stehend, wie bei Multimediasystemen üblich, oder auch waagerecht auf einem Fernsehgerät liegend, wie bei Surroundanlagen üblich, installiert werden. 

Klanglich zeichnet sich der CT CENTER 81 durch ein präzises und gut von der Box gelöstes Klangbild aus, das für Lautsprecher dieser Größe noch erstaunlich kräftige Tieftonanteile hat.

NANO SAT

NANO heißt das Miniatur-Klangwunder von VISATON. Das mit kleinsten Satelliten ausgestattete System klingt ohne Kompromisse wie eine wesentlich größere Standbox. Der als Dipol ausgelegte Hochtonbereich erzeugt im Zusammenspiel mit Mitten und Bass ein ausgesprochen luftiges Klangbild. Ein ausgeglichener Frequenzgang über den gesamten Frequenzbereich, bei dieser Art von Systemen bisher kaum erreicht, stellt eine weitere Besonderheit des NANO-Systems dar.

Die winzigen Satelliten kann man nur als wohnraumfreundlich bezeichnen, da sie selbst im kleinsten Regal unterzubringen sind. Der mit dem bekannten High-End-Chassis GF 200 ausgestatte Subwooferhingegen verschwindet einfach versteckt in einer Ecke.

Das eingebaute Bassreflexrohr BR 25.50 trägt mit seiner strömungsgünstig gekrümmten Trompetenöffnung zum guten Gesamtklang bei. Durch eine 18 dB-Filterung bei einer Trennung von 150 Hz kann der Subwoofer nicht geortet werden. Ein Hochpass und eine Reflexabstimmung ermöglichen eine beeindruckende Dynamik der winzigen magnetisch geschirmten Satelliten. Diese können damit auch als Centerspeaker oder Surround-Lautsprecher für Dolby Surround im privaten Heimkinobereich genutzt werden.

NANO SAT MK II

Das Miniatur-Klangwunder NANO wurde überarbeitet. Bei dieser Version wird auf den rückwärtigen Hochtöner verzichtet und die Weiche entsprechend angepasst. Dadurch konnte die Natürlichkeit der Stimmenwiedergabe verbessert werden. Außerdem verhält sich die NANO jetzt deutlich unkritischer bei Veränderungen der Aufstellung, insbesondere des Wandabstandes. Sie kann nun auch problemlos z.B. in ein enges Bücherregal integriert werden. 

Kombiniert man die NANO SAT MK II mit dem NANO SUB, erhält man ein absolut wohnraumfreundliches System aus winzigen Satelliten und einem kompakten Subwoofer, das fast ohne Kompromisse wie eine wesentlich größere Standbox klingt.

Art. No. 5980

VOX 80

Der kleinste Spross der VOX-Serie lehnt sich in seinen Proportionen an die großen Modelle an. Das Format der VOX 253 wurde etwa um den Faktor 3 verkleinert. Auch das Bestückungskonzept mit zwei Mitteltönern und einem seitlichen Tieftöner entspricht den anderen VOX-Versionen. Zwei 5 cm Breitbänder FRWS 5 R - 8 Ohm passen perfekt in die Schallwand und arbeiten hier als Mitteltöner. Der kleine Hochtöner CP 13 - 4 Ohm erweitert die bereits gute Hochtonwiedergabe der FRWS 5 R - 8 Ohm nach oben. Als Tieftöner kommt ebenfalls ein Breitbänder, der F 8 SC - 8 Ohm, zum Einsatz.

Um dem Anspruch gerecht zu werden, in die VOX-Serie aufgenommen zu werden, wurde die Frequenzweiche genauso sorgfältig auf die ausgewählten Chassis abgestimmt wie bei den großen Modellen. 

Das Ergebnis kann sich sehen und hören lassen. Die VOX 80 glänzt optisch wie akustisch z.B. auf jedem Schreibtisch als Computerlautsprecher. 

Die VOX 80 ist mit einer Leistung von 20/30 Watt belastbar. In der Praxis als PC-Box wird diese Leistung allerdings nicht annähernd benötigt. Mit einem Watt erzeugt die VOX 80 am Arbeitsplatz ca. 80 dB, beide Boxen zusammen also 86 dB. Das ist sehr laut. Ein Miniverstärker wie der Visaton AMP 2.2 oder der AMP 2.2 LN dürfte also für die meisten Anwendungen völlig ausreichend sein.

Art. No. 5940

GITTER FRS 8

Schutzgitter aus schwarz lackiertem Metall. Zierring aus schwarzem Kunststoff. Optimale Passform für den FRS 8 bei rückseitigem Einbau. Auf Anfrage auch in anderen Farben lackiert erhältlich.   Eigenschaften: - Kunststoff: PC-110 (UL 94: V-2)

GITTER 8 ES

Schutzgitter aus schwarz lackiertem Metall. Zierring aus schwarzem Kunststoff. Optimale Passform für den FRS 8 bei frontseitigem Einbau. Auf Anfrage auch in anderen Farben lackiert erhältlich.   Eigenschaften: - Kunststoff: PC-110 (UL 94: V-2)

Suchen Sie nach einer maßgeschneiderten Lösung?

Kontakt