Do you have any questions?

CT CENTER 170

Building instruction

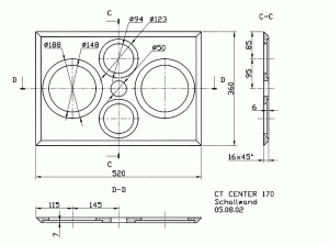
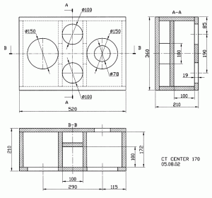
Exploded drawing

Assembly

The cabinet consists of 19 mm boards and a 16 mm double baffle. The side piece, top and base of the medium range chamber are, at the same time, cabinet stiffeners. First of all, make the necessary cut-outs in the cabinet panels and apply the chamfers to the double baffle. Once the cabinet has been made up, prepare the mounts for the woofer and the mid-range drivers. Finally, fit the speaker drivers. If required, a stand can be made using the same size as the cabinet base to the required height.

Inner damping

The damping of the speaker uses half a mat of damping material stuffed into the medium range cabinet. The rest is used for the bass section.

Cabinet parts list for 1 box

Parts
Size (mm)
Quantity
Material: 19 mm chipboard or MDF
Front and rear panel
360 x 520
2
Side panel
172 x 322
2
Top and bottom panel
172 x 520
2
Midrange rear panel
100 x 322
1
Midrange side panel
172 x 322
2
Material: 16 mm MDF or wood
Double baffle
360 x 520
1

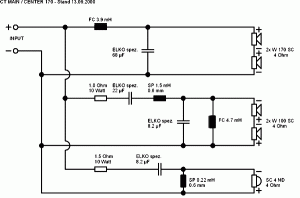
Crossover

Mounting SC 4 ND

Do you have any questions?

Contact us