Do you have any questions?

VOX 253-CENTER

Building instruction

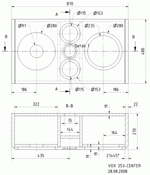
Exploded drawing

Assembly

The entire cabinet for the VOX 253-CENTER is made of 19 mm boards, apart from the two side pieces, which are 22 mm thick. The speaker cabinet consists of a bass chamber and an enclosed mid-range cabinet. The sides of the medium range chamber are made of T-shaped boards, that double up as reinforcements. These should be cut first. In the front piece, there are the tube on the left, behind a fabric-covered frame and, on the right, the TIW 250 XS. For this you will need two more mounting boards (322 mm x 442 mm), which are glued in place from inside. In the front piece itself, there are two round cut-outs, which have to be cut extremely accurately for optical reasons. The bass reflex tube is covered by a fabric-covered frame. The outer dimensions of the frame are 1 mm smaller than the opening in the front panel. In this way, the frame is jammed in place by the fabric used to cover it and alternative fixing methods (frame dowels) are not necessary. 

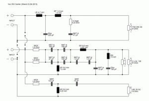
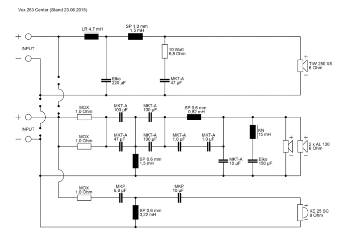
The crossover unit is mounted on the rear wall beside the bass port.

Inner damping

The damping uses one mat placed inside the medium range cabinet. The remainder is evenly distributed throughout the cabinet. The area behind the tube remains free. If, as a result of the acoustics in the room, the low-range bass is too powerful, damping this area will have a corresponding effect on the overall bass output level.

Cabinet parts list for 1 box

Parts
Size (mm)
Quantity
Material: 22 mm chipboard or MDF
Side panel
270 x 480
2
Material: 19 mm chipboard or MDF
Front and rear panel
826 x 480
2
Top and bottom panel
826 x 232
2
Baffle for woofer and tube
322 x 442
2
Midrange rear panel
144 x 442
1
Midrange side panel
232 x 442
2
Material: 16 mm chipboard or MDF
Grille board
Ø 287
1

Crossover

Do you have any questions?

Contact us