Do you have any questions?

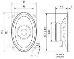
FR 4x6 X - 4 Ohm

Art. No. 2254

9 x 15 cm (4" x 6") full-range driver with tweeter cone. Wide and balanced frequency response. Well suited for speech and music.

Typical applications
  • Vehicles, mobile homes, network column speakers

WEEE-reg. no.: DE 79837685

*Industrial prices are available on request.
Technical Data
Sketch
Amplitude & Impedance Frequency
Rated power 15 W
Maximum power 30 W
Nominal impedance Z 4 Ohm
Frequency response 75–20000 Hz
Mean sound pressure level 87 dB (1 W/1 m)
Resonance frequency fs 110 Hz
Height of front pole-plate 3.5 mm
Voice coil diameter 25 mm
Cutout diameter 142 x 90 mm
Net weight 0.456 kg
Connections 4.8 x 0.8 mm (+)/2.8 x 0.8 mm (-)

Used in / Accessories:

GRILLE 4x6"

Protective grille made of black painted metal. Decoration ring made of black plastics. Can be supplied painted in other colours on request.   - Suitable for: DX 4X6 P 4 OHM FR 9.15 4 OHM

GRILLE 9x15 PL

Protective grille made of black plastics. Suitable for many 9x15 cm loudspeakers.Can be supplied painted in other colours on request.   - Suitable for: FR 9.15 4 OHM DX 4x6 P 4 OHM

Are you looking for a bespoke solution?

Contact us