Do you have any questions?

DL 18/1 EV - 100 V

Art. No. 50108

17 cm (6.5") ceiling speaker with corrosion free grille (RAL 9010), suitable for the installation in suspended ceilings of any material. Equipped with a full-range driver. Quick snap-in mounting due to round ceiling cut-out through which the speaker with transformer and mounting ring can be installed. A screw terminal block (ceramic terminal with thermal fuse) allows the connection to the 100-Vnetwork including the eventually necessary level adjustment. Easy installation provided for the grille by a quick-mounting bayonet and for the protective cap by snap-in springs.

Typical applications
  • Ceiling loudspeaker for evacuation systems
Attributes
  • certified according to EN 54-24
  • konform zu BS 5839 Teil 8 und EN 60849

WEEE-reg. no.: DE 79837685

No longer available
Technical Data
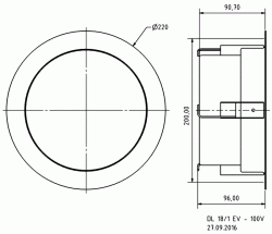
Sketch
Amplitude & Impedance Frequency
Directivity pattern
Frequency response 400–20000 Hz *1)80–20000 Hz *2)
Mean sound pressure level 94 dB (1 W/1 m)
Opening angle (-6 dB) 57°/4000 Hz
Cutout diameter 200 mm
Net weight 1.34 kg
Transformer matching 6 W/3 W/1.5 W (100 V)
Max. sound pressure level 101 dB (6 W/1 m)
Colour RAL 9010
Connections Screw terminals
Protective system A EN54

Are you looking for a bespoke solution?

Contact us