*Gross price for private customers. Industrial prices are available on request.
Technical Data
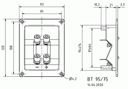
Sketch
Cutout diameter 95 x 75 mm

Used in / Accessories:

ALTO GENESIS SUB

Just because your sitting-room isn't large enough for big speakers, doesn't mean you have to do without high-quality sound. The VISATON subwoofer satellite system, ALTO Genesis, provides excellent listening pleasure in a very small space.

Separating the subwoofer into two cabinets - left and right channels - means that the assignment to the corresponding satellite speaker is hidden. On the other hand, the two subwoofers can also be placed together as mono subwoofers. The bandpass subwoofer cabinet contains the 13 cm long-stroke woofer W 130 S - 8 Ohm. The well-balanced driver, cabinet and frequency parameters enable the subwoofer to be separated off at 110 Hz with a slope rate of 30 dB/octave. That is a level seldom achieved even by active subwoofers. The satellite speakers are also steeply cut off towards the bottom end by means of an optimised crossover unit. This optimised coupling technique means the position of the subwoofer is in reality not determinable.

The small shelf-mounted satellite speakers produce the lively high frequencies and a balanced mid-range and provide the overall spatial qualities required. The tuning frequency cuts in at 110 Hz.

ATLANTIS MK II

The ATLANTIS has been consistently designed for optimum sound-pressure rating while retaining a moderately sized cabinet and an elegant appearance. In the bass range, two AL 170 - 8 OHM are mounted in parallel but in separate housings, where each has about 27 l of air space to itself. These speakers have a lower limiting frequency of 28 Hz meaning that they generate good, solid deep bass. Where you position the speakers is more or less a matter of choice, but they should not be right against the wall (a minimum of 10 cm is needed) as otherwise the effect of the bass reflex tubes will suffer.

Compared with the 'normal' AL 130 - 8 OHM, the AL 130 M - 8 OHM is equipped with a shorter voice coil. This improves efficiency and makes it the ideal choice in this combination.

Used as a tweeter, the KE 25 SC - 8 Ohm is activated from 2500 Hz. The distortion factor of this ceramic dome driver is really low at these frequencies, so that even high volume levels come across completely free of distortion.

Art. No. 5950

ELEVATION 3

This designer speaker cabinet is a challenge for any experienced craftsman who is looking for a speaker that stands out from the crowd. The excellent design means that the shape is not just a designer's whim but a technically thought-out reality. The front baffle has been kept as narrow as possible all the way along. This projects the sound away from the speakers into the room, in such a way that the instruments and voices are perfectly positioned and - provided the speakers are positioned away from the walls - the listener is treated to excellent spatial sound. The curved shape of the side panels has a stiffening effect and reduces resonance dramatically. In this way, the conventional reinforcements are not required.
In the bass department, we have the GF 200 - 2 x 4 Ohm with its high level accuracy, which can really make the most of its long-stroke voice coil and fibre-glass reinforced cone. The bass driver is positioned very close to the floor of the cabinet, and requires a low cross-over frequencyup to the mid-range. In order to maintain the excellent level accuracy here, a speaker with a large cone surface area has been chosen. In this combination, the AL 170 - 8 Ohm demonstrates its remarkable mid-range characteristics that guarantee exceptional transparency and clarity of sound. The tried-and-tested G 25 FFL - 8 Ohm textile dome unit adds depth and vitality to the high-range. 
Not available as a complete kit.

EXPERIENCE V 20

The EXPERIENCE V 20 is a 96 litre vented cabinet and features a bafflearrangement based on the D'Appolito principle arranged symmetrically around the tweeter. In order to suppress any unwanted interference by the front baffle on the radiation pattern, the entire mid- to high-range unit is not positioned in the middle of the cabinet, but towards the inner side.

The woofers in the EXPERIENCE V 20 are two W 200 S - 8 Ohm 's in parallel up to around 450 Hz. From here, the mid-bass unit takes over. The W 130 S - 8 Ohm 's, also connected in parallel, cover the mid-range frequencies up to around 3000 Hz and hand over to the G 25 FFL - 8 Ohm textile dome unit at the high-range.

The crossover unit is designed for bi-wiring.

The very first impression you get of this V 20 speaker system will demonstrate the unrestricted exuberance the speakers are capable of. At the lower octave levels, the two 20 cm woofers produce crisp bass sounds with a dynamic punch that is unusual for speakers of this size. The mid-range produces absolutely linear, undistorted sound and the overall effect is of tangible sounds, spatially separated from the speakers themselves. The crystal clear, airy high-range reproduction from the 25 mm textile dome unit puts the final touch to the upper frequency end.

Art. No. 5965

FONTANELLA SAT

The FONTANELLA subwoofer satellite system is both visually and accoustically a completely new experience. The drivers in the satellitesare arranged to project the sound upwards. Two specially shaped cones reflect the sound according to specific patterns to ensure that the sound is distributed horizontally and uniformly in all directions. 

The mid-bass unit is the AL 130 M - 8 Ohm, and the tweeter range is covered by the DT 94 - 8 Ohm

This diffused sound distribution means that the impressive spatial effect is virtually uniform all round the room. Virtual sound sources, for example the voices or instruments that appear between the speakers, can be clearly and precisely located. The depth of colour of the sound remains the same at any seating position in the whole room. Ideally, the satellitesshould be positioned 0.5 m to 1 m away from a wall and on a base or stand. The cones should then be at ear level or slightly below. 

The passive subwoofer cabinet has been designed to match the satellitesand is fitted with the GF 200 - 2 x 4 Ohm double voice-coil woofer; resulting in powerful, highly dynamic bass reproduction from this high-end driver. 

The FONTANELLA system provides a high level of listening pleasure as a hifi stereo system but is also extremely well suited to use as the rear effect channel in home-video systems. In such cases, the subwoofer is not required and the two satellites are used alone.

Art. No. 5937

MONITOR 890 MK III

It is well-known that there are two types of loudspeakers: hi-fi speakers that produce the most accurate, unaltered sound possible, and disco or musician's speakers, where the top volume level is of the utmost importance. These volume levels are normally only possible with horns but these often cause coloration of the sound. The MONITOR 890 MK IIIwas designed specifically to combine the best of both worlds. In the mid-range, we use a driver & horn unit which is so dynamic and produces such undistorted music, that many a horn-disparager has had to admit that this is simply unbelievably "different". Two excellent quality woofers, TIW 300 - 8 Ohm, mounted in the 180 litre vented cabinet, generate a bass sound pressure that is physically tangible, as you have experienced with concert speakers. Combined with the first-rate TL 16 H - 8 Ohm high-range horn, we have created a loudspeaker system that breaks down the previously unbridgeable barrier between the hi-fi and the professional speaker.

The output levels of the mid-range driver and tweeter can be adjusted to the requirements of the locale using output controls. We recommend, initially at least, the following level settings: tweeter: -4 dB; mid-range: -4 dB. These can, of course, be adapted to suit the specific acoustics in the room and personal preferences. 

Thanks to the added impedance linearising unit in the crossover unit, the Monitor 890 MK III is now even better suited to use with critical amplifiers (e.g. tube amplifiers).

Art. No. 5957

NANO SUB

If you combine the NANO SAT MK II with the NANO SUB PR, you get a speaker system that is totally living-room friendly consisting of tiny satellites and a compact subwoofer which, all-in-all, sounds like a far larger, uncompromising column speaker set-up.

The BR 25.50 bass reflex tube with its flow-optimised, curved trumpet vent, contributes to the good overall sound of the subwoofer. The subwoofer cannot be located due to its 18 dB filter and separation at 150 Hz. A high-pass system and reflex balance enable the two tiny, magnetically screen satellites to produce remarkably dynamic sound. They can, therefore, also be used as centre or surround speakers for Surround systems at home.

VOX 200

The VOX 253 is well-known as a speaker system with unusual credentials. Although relatively slim, some people may wish for a less noticeable speaker cabinet. Building a smaller cabinet and maintaining the same characteristics is a tall order. The precondition is that if the dimensions are reduced, the main features should be retained. This means locating the woofer in the side wall, d Appolito arrangement for the two cone drivers with metal diaphragms and dome tweeters in the middle. The excellent AL 200 - 8 Ohm serves as a bass speaker and the tweeter is the G 20 SC - 8 Ohm , already very successfully used in the COUPLETmodel. It was, then, necessary to develop a completely new 10 cm high-end cone driver with a metal diaphragm. Although the development time was relatively long, the wait was worth it - this is a really first-class low- to mid-range unit with a cone made of pure titanium, equally as good as the AL 130 - 8 Ohm. The cabinet dimensions have been proportionally reduced from the large-scale VOX model to produce an almost dainty compact column speaker: the VOX 200.

The take-over frequency levels of 200 Hz and 3000 Hz have been retained. A crucial feature is that the large-sized bass reflex tunnel is also present. In this manner, we have managed to create a compact baby sister for the VOX 253 that is worthy of the family name. As one would expect, the VOX 200 cannot keep up with the 253 when it comes to really tough bass activity, where the 253 would master it with ease. In normal sized rooms this is hardly necessary or required. In any case, the bass capabilities of this smaller sister are far beyond what you would expect from a model of this size. 

In the mid- to high-frequency range, smaller speakers are preferable anyway. This is also the case with the VOX 200. The sound breaks away clearly from the baffle and generates a stable volume level and uniform sound throughout the room with no colouration. 

Once again, the G 20 SC - 8 Ohm proves its value as a producer of wonderfully clear, lively high-frequency reproduction without the slightest hint of aggression.

If you find large speaker cabinets too much of a good thing, you really ought to have a listen to the VOX 200!

Art. No. 5905

VOX 253

The VOX 253 is an upright speaker with its subwoofer TIW 250 XS - 8 Ohm let into the side-wall. This design enables the front panel to be kept very narrow making it that much easier to position. One of the most outstanding features of the TIW 250 XS - 8 Ohm is its unbelievable ability to reproduce the lowest range bass in surprisingly small cabinets. In the listening area, the bass pressure becomes tangible rather than audible, the sort of effect you would normally only expect from much larger speakers. As a result of the side-opening position of the TIW 250 XS - 8 Ohm, the separating frequency between the subwoofer and the mid-range drivers has to be very low. This has been achieved by means of an especially intelligent frequency cross-over design.

In order not to restrict the dynamics at higher bass levels, a bass reflextube with an exceptionally large cross-section and corresponding length has been designed. In this way, flow-related losses are kept to a minimum. The vent is at the bottom in the rear wall so as not to interfere with the attractive appearance of the front face. 

The only difference between VOX 253 and VOX 252 is the new woofer TIW 250 XS - 8 Ohm. A change of the crossover was not necessary. 

This version of the VOX contains the high-end ceramic dome tweeter KE 25 SC - 8 Ohm. An 18 dB high-pass filter produces an optimum phase relationship between tweeter an midrange. This creates an improvement of the clear location of each individual voice or instrument.

VOX 253 MHT

Due to the deep starting frequency of the MHT 12 - 8 Ohm it is possible to make use of this magnetostat in the VOX 253. Of course, the crossoverhas to be changed from that used in the original version with its KE 25 SC - 8 Ohm. Fortunately, the AL 130 - 8 Ohm 's only have to be separated slightly higher which means we are still a long way from the baffleresonance levels. Here, too, the transfer frequency is 3000 Hz. As can be seen from the dotted frequency curves for the individual drivers, the AL 130 - 8 Ohm drop off at 2000 Hz and the MHT 12 - 8 Ohm at 4500 Hz and meet again at 3000 Hz and -6 dB. The magnetostat need not by any means produce its full output at 3000 Hz, as some people often believe. This would not make sense in terms of achieving the lowest possible distortion factor. 

Since the front panel of the MHT 12 - 8 Ohm is slightly larger, the AL 130 - 8 Ohm 's have to be spaced a little further apart (10 mm). 

As regards their sound quality, both versions (original VOX 253 with KE 25 SC - 8 Ohm and VOX 253 MHT) are at the same high level. The version preferred by each particular customer will depend on personal taste, the type of music you listen to and how you listen.

VOX 253 MTI

The VOX 253 MTI is the current highlight in the VOX series. The uncompromising approach, involving fitting the TI 100 - 8 Ohm as the low- to mid-range unit and the MHT 12 - 8 Ohm as the tweeter, worked highly successfully in the TOPAS. Following the basic design concept of the VOX series, this system is fitted with two TI 100 - 8 Ohm 's as low- to mid-range units and the TIW 250 XS - 8 Ohm as the woofer.

One particularly convenient innovation is used for the first time in the VOX 253 MTI: it is now possible to tune the bass output level on the crossoverunit. Depending on the acoustic properties of the room and personal preference, the bass output might be too strong, if the speakers are placed close to a wall, for example. The adjustment unit is mounted on the crossover unit directly parallel to the woofer and enables to listener to adjust the output level between 70 Hz and 150 Hz. The lower-frequency bass is not affected. Increasing the resistance affects the bass output: 10 ohms for a minimal reduction in bass and 3.3 ohms for maximum reduction. If the adjuster is left open (i.e. resistance is infinite), bass output reduction is deactivated.

Art. No. 5987

VOX 253-CENTER

The VOX 253-CENTER is the corresponding centre speaker to match the VOX 253. This is a horizontal speaker equipped with identical drivers. The TIW 250 XS - 8 OHM bass speaker and a bass reflex tube tube are positioned to left and right of the mid- to high-range unit, which is arranged vertically, behind a fabric-covered frame. If required, the drivers in the speaker can be fitted with compensating magnets to shield them magnetically. The VOX 253-CENTER has the same excellent soundproperties as the VOX 253. The reproduction of the unbelievably sonorous low-range bass and, at the same time, extremely clear-cut mid- and high-range reproduction, is mastered effortlessly by the VOX 253-CENTER

This centre speaker is the ideal choice if you want to build up a multi-channel system around the VOX 253, that will appeal to both seasoned music lovers and aficionados of the cinema.

VOX 301

The VOX 301 extends the high-end VOX series upwards. While the mid-to-high-range is the same as in the VOX 253, the TIW 300 - 8 Ohm has been chosen as the woofer for this model. As a result, while the excellent characteristics experienced in the mid-to-high range remain the same, the level accuracy and dynamics in the bass department have been increased and the lower limiting frequency reduced to a remarkable 23 Hz. The VOX 301 can, therefore, be seen as the VOX variant for high-volume aficionados who like to hear concerts at close to the original sound levels in large rooms.

ATLAS COMPACT MK V

The 5th generation of VISATON's classic ATLAS COMPACT is positioned in the mid- and high-ranges and compares with the systems mentioned at the beginning of the series. Once again, we have the DSM 25 FFL - 8 Ohm and DSM 50 FFL - 8 Ohm dome loudspeakers. The low- to mid-range is covered by the AL 170 - 8 Ohm. What is new in this version is the TIW 300 - 8 Ohm as the woofer.

The crossover, too, has been thoroughly reviewed. The separating frequency between the woofer and low- to mid-range unit has been set at 220 Hz. Thanks to this relatively low separating frequency, the bass is particularly powerful between 50 and 100 Hz. This is accompanied, however, by a reduction in impedance in this range of frequencies. There is compensation for the increased impedance in the woofer (KN 27 mH, 330 µF) which prevents this low impedance curve, but this also reduces the bass output level at 80 Hz by around 3 dB (red line below 100 Hz). This can be a great advantage in rooms where the bass output level is boosted excessively by resonance. Where the output level is more important and a reduction in nominal impedance at 80 Hz to 4 ohms is acceptable, the impedance compensation is simply deactivated to produce the higher frequency graph. In this way, the ATLAS COMPACT MK V offers a tangible advantage in that the bass output level can be trimmed to suit the listening room.

The broad chamfers in the upper part of the baffle give the cabinet a slimmer appearance while, at the same time, avoiding the build-up of corner reflection in the sensitive mid- and high-ranges. 

The ATLAS COMPACT MK V is a very dynamic speaker with powerful bass reproduction but without getting woolly in the bass department. Additional features are absolutely neutral voice reproduction and crystal-clear high-frequency sounds without sharp edges.

Art. No. 5920

GRAND ORGUE

The toughest challenge for a high-end loudspeaker is to reproduce the lowest frequencies of larger instruments, such as an organ or double bass, with appropriate fidelity. Only very few speakers are at all able to reproduce the lowest register of a church organ and even then only the very best are able to make it sound as if it was coming from an organ pipe. To do credit to a double bass in all its glory without sounding fluffy or over-inflated or, even worse, giving up altogether, is the reserve of very few, outstanding loudspeaker constructions. The "Les Orgues" speaker series, in this case the GRAND ORGUE species, represent exactly that capability. With eight WS 25 E - 8 Ohm woofers, optimised specifically as a free-air system, mounted in a folded, but open baffle, they are able to reproduce bass down to below 20 Hz in a most natural, unhurried and completely unexaggerated manner and with no sign of weakness. Since there is, in effect, no enclosure, the resonant frequency of the woofer is not increased, but in this case even decreased, which enables it to emanate clear, non-compressed extremely low frequencies. The precondition for this low-range bass imaging, which uses double-sided radiation, is, however, also to ensure the speakers are far enough away from the wall. One metre is sufficient, but for full power right to the bottom of the bass range, 2 - 3 metres is preferable.

But the effortless and unobtrusive deep bass is not all, by any means. The bass section, which radiates to both sides, is supplemented by a line array consisting of eight oval SL 713 - 4 Ohm full-range drivers. This moderately priced full-range loudspeaker is characterised by its extremely light paper diaphragm and the voice coil carrier made of kraft paper which, together, ensure absolutely natural sound right through to the highest frequencies. 

A key characteristic of line arrays is that they generate a highly focused sound beam in the vertical plane. Outside that main path, a large proportion of the signal is cancelled out by interference. This prevents reflections from the floor and ceiling from even coming into existence, which would impair the precise tridimensional imaging of the music. However this beaming effect is a direct function of the wavelength of the sound radiated. The higher the frequency, and, as a result, the shorter the wavelength, the more extreme the beaming effect. A large array such as we have here in the GRAND ORGUE would normally lead to very extreme beaming in the high-frequency range, which would not reflect the reality of the sound being played. To achieve as uniform a beaming effect as possible across the entire frequency range, which is important to guarantee balanced sound quality in the listening room, we have arranged for a correcting circuit within the array. This circuit ensures that, as the frequency increases, additional output is directed towards the second and third full-range drivers from the top while the output to the other six drivers is gradually reduced. In effect, the array is shortened across the full range steplessly from eight loudspeakers to two. These two loudspeakers should be as close as possible to ear height. If ear height should actually be higher or lower than the midpoint between the second and third full-range drivers from the top, the system can easily be adapted to the situation by wiring up the array in such a way that e.g. the third and fourth drivers from the top are responsible for the higher frequencies. In this way, the cabinet can be tuned in small steps to suit the real situation.

Combining all these technical sophistications in a single cabinet results in an exceptional speaker system which is predestined for the "natural" reproduction of music, but not only for that. Whether it is a keenly picked guitar string, a crisp drum solo, an entire symphony orchestra including an uplifting, heart-warming string section and a powerful brass department, or the veritable queen of all instruments, the organ, it will all come across absolutely authentically, with dynamism and is guaranteed to give you goose pimples. In the same way, voices, male and female, are reproduced faithfully including every tiny detail. Each instrument and voice appear to be hovering in exactly the right place in space, the spatial quality is completely natural and everything is in the defined position.

Anyone on the lookout for loudspeakers for high-quality music, who does not intend to make compromises in terms of frequency response and who is keen on extremely accurate imaging of the stage or orchestra pit, should take a close look at the GRAND ORGUE. The only preconditions are a powerful amplifier and generous distances between the cabinets and the walls to enable the GRAND ORGUE to develop its capabilities.

HINT: The bass part of the GRAND ORGUE, on its own without the full-range drivers, connected directly up to an active source without a passive crossover, acts as an excellent subwoofer and can be used, either singly or as a pair, to support music-orientated high-end loudspeakers and full-range loudspeakers down to the lowest bass frequencies and give home theatres the bottom end that they deserve.

Art. No. 5892

QUINTETT LIGHT

Just as the light versions of VOX and COUPLET, the QUINTETT LIGHTis aimed at coming as close as possible to the outstanding sound quality of its "big sister", with substantial lower priced driver units.

When listening to both the QUINTETT and the QUINTETT LIGHT, the direct comparison attests: Goal reached.

The QUINTETT LIGHT is, as well as the QUINTETT, a high efficiencyspeaker with a very balanced frequency response. Only in terms of dynamics and maximum sound pressure level, the QUINTETT LIGHTcannot fully keep up with the outstanding performance of the QUINTETT.

Anybody who is into the concept of the QUINTETT, but at a more favourable price, is well advised to take a closer look at the QUINTETT LIGHT.

VIB 170 BP

When developing the VIB 170 BP, the main objective was to create a fairly compact column speaker with an extremely deep bass output, which is capable of reproducing the deepest regions of the audible frequencyspectrum. A common bassreflex housing can reach this aim only partly. Therefore, a very rare type of cabinet has been realized, at least when looking at fullrange-loudspeakers: A double-sided ventilated bandpass. In this layout, a woofer which is mounted on an inner separation wall, is operating on two bassreflex-tuned volumes, a larger one and a smaller one. By means of a subtle tuning of the two cavities, a linear frequency response down to 35 Hz (-3 dB) could be obtained with a housing of only 75 liters. Not until then, the sound pressure level starts to drop rather quickly. The lower cut-off frequency (-10 dB) is located around 24 Hz. Some very large bassreflex speakers are capable of reaching similar cut-off frequencies, but the SPL already starts dropping at much higher frequencies. This is why those kinds of loudspeakers sound less voluminous and deep.
Due to the exceptionally high excursion limit of the TIW 200 XS - 8 Ohm, the maximum obtainable sound pressure level is already physically tangible and more than sufficient even for large listening rooms.

Another design feature of the VIB 170 BP is the wide frequency range of the AL 170 - 8 Ohm. By means of a sophisticated crossover set-up, we have been successful in taking advantage of the outstanding acoustical properties of the AL 170 - 8 Ohm from 100 Hz up to 8 kHz. Not until then, the established ceramic tweeter KE 25 SC - 8 Ohm takes over to render the uppermost 1-2 octaves. By this layout, the widest part of the audible spectrum is reproduced by only one driver, which helps acoustical imaging and leads to a strikingly precise stage arrangement.

So how does such a fancy build sound like? Like the best of both worlds: The spatial precision and dynamic of a good fullrange driver, paired with the brute bass power of the TIW 200 XS - 8 Ohm in the bandpass cabinetand the silky, delicate treble of the excellent ceramic calotte.
At the same time, the whole loudspeaker plays all of a piece and acts absolutely neutral in terms of tonality. Moreover, not a hint of the often-cited "sponginess" of the bandpass principle could be observed, far from it: the low tones sound firm and massive, fully grown, thus becoming to many a much larger boxes.

All around, the VIB 170 BP can be said to be a felicitous loudspeaker, which combines the advantages of a high class fullrange speaker, a multiple way box and a strong subwoofer in one slim cabinet.

TIP: The low frequency part of the VIB 170 BP, without the tweeter and the midwoofer, and without the crossover network, makes a superb subwoofer to complement even large home cinema systems, single- or pairwise.

PENTATON BB


Full-range loudspeakers are enjoying another comeback and arousing increased interest, embodying, as they do, everything that a point soundsource should be. Large full-range loudspeakers like the B 200 - 6 Ohmhave the additional characteristic of transmitting the sound in a tightly bundled beam, which produces a very tangible, three-dimensional effect and allows individual instruments to be easily located. A drawback of the system, however, is that this beaming process and the sensitivity are reduced at lower frequencies. The PENTATON BB was developed specifically as a cabinet based on the legendary B 200 - 6 Ohm but designed to compensate for these two disadvantages.

In a similar way to the QUADRO, additional full-range drivers are switched in to supplement the central driver, which is connected direct to the amplifier without an intervening filter, as the frequencies go down the scale. This allows the B 200 - 6 Ohm to develop its full potential with none of the impairments caused by frequency-dependent signal-carrying components, while the BG 20 - 8 Ohms, that are optimised for low-frequency response, maintain the extremely high sensitivity and beaming effect right down to the bass range. The additional full-range drivers are arranged symmetrically in two groups around the main speaker, which again creates an acoustic focus in the centre of the speaker cabinet. On top of this, the baffles in enclosures 2 and 4 and in enclosures 1 and 5 are angled inwards by 6° and 12° respectively. This feature guarantees that, assuming a typical listening distance of approx. 3 m, each of the drivers is exactly the same distance away from the ear and at the same angle. Given the size of these speaker cabinets, this is the only way to ensure that the phases of all the drivers are in sync across the entire frequency range.

The result of all these characteristics taken together is a sound image of the stage that could hardly be clearer or more precise. Even baritone male voices and large instruments such as the double bass or bassoon appear to be present full-size, in the right place on the virtual stage and in tangible 3D. Thanks to the enormous diaphragm area and the low moving mass, the PENTATON BB transforms dynamic jumps in the recording decisively and seamlessly into sound pressure and, with its superior handling, encourages the listener to increase the volume level until it is physically felt and yet it never becomes obtrusive or laboured.

And yet, this is definitely a speaker for connoisseurs of lower volumes. Even at low output levels, the overall sound quality is tangible and mature so that every tiny musical detail, however small, is projected audibly without the slightest distortion. The frequency response is remarkably linear for a loudspeaker of this kind, which is why the PENTATON BB is ideal for the authentic reproduction of every genre of music without restriction and will allow the listener to rediscover even old favourites thanks to its analytical and highly detailed approach.

Thanks to its high sensitivity and uniform impedance curve, the PENTATON BB is predestined for use in connection with high-grade tube amplifiers with relatively low output wattages.

Art. No. 5888

QUINTETT

With a cabinet volume of just over 56 litres, the QUINTETT could not be said to be a small speaker. Despite its size, it comes across as elegant and sophisticated, thanks to the arrangement of its drivers and the slim baffle. Fitted with no less than five AL 130 - 8 Ohm, it is generously equipped but stopping short of exaggeration.

Four of the AL 130 - 8 Ohm, with a combined diaphragm area of 316 cm², are fitted in the bass reflex cabinet and generate sufficient bass, so no subwoofer is needed. The QUINTETT is based on a development idea suggested by the German "Klang & Ton" Hi-Fi magazine which was then finalised by modifying the crossover.

The uppermost of the five AL 130 - 8 Ohm, which is neatly housed in its own enclosed 5-litre cabinet, together with the tried-and-tested KE 25 SC - 8 Ohm ceramic dome tweeter, produce clear mid-to-high-range soundabove 500 Hz.

In terms of its sound quality, the QUINTETT can be described as rich in detail and very precise. It uncompromisingly shows up every defect in a recording but, on the other hand, reproduces good recordings perfectly, without the slightest distortion and with remarkable positioning accuracy. Bass sound is reproduced very accurately and clearly and, thanks to the be-wiring connections, can be controlled separately from the mid- and high range frequencies. The QUINTETT is, as a result, not a speaker that produces some softened-down mash, it is, on the contrary, a realist that can easily cope with maximum volume settings.

Are you looking for a bespoke solution?

Contact us